Stärz SPF-PIC Version v1-2008 zwischen 2008 und 2012

Richtigen Spielspaß gibt es doch nur in Verbindung mit einem Handregler :-) Dieses Eingabegerät zum Fahren und Schalten, aber auch teils Anzeige von Betriebszuständen, gehört (fast) zu jeder Anlage.
Antworten
Digit-Electronic
Beiträge: 42
Registriert: 13. Juni 2016, 08:05
Kontaktdaten:

Stärz SPF-PIC Version v1-2008 zwischen 2008 und 2012

Beitrag von Digit-Electronic »

Hallo zusammen,

ich habe mir den Handregler von einem Bekannten geliehen und das Gehäuse geöffnet, erstellte ein kurzes Schaltbild und habe die Platine fotografiert.

Ich habe im Netz die Doku gefunden. Er hat eine neue Platinenversion v1b-2012 und neuer PIC "SPF-PIC v2.2_sxdcc" geändert.

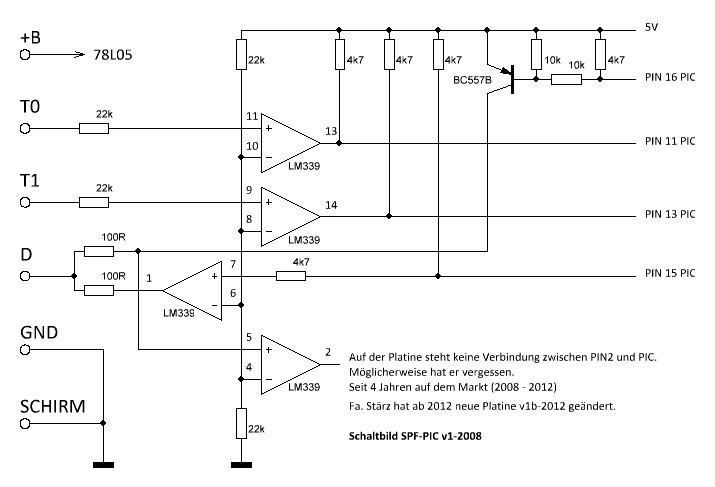
Kurzes Schaltbild:
SPF-PIC_v1-2008.JPG

Unten: 2 Fotos Vorderseite und Rückseite mit rotem Kreis:
Wenn Sie Ihren Handregler vor 2012 gekauft haben und SX2/DCC Lok nicht richtig oder sporadisch funktioniert, dann öffnen Sie das Gehäuse.
Bitte schauen Sie auf der Platine nach dem Sockel und dem roten Kreis (Siehe Foto) und Version v1-2008.
Bitte auf das Foto hier in der Mitte klicken, es wird dann vergrößert.
Der PIC hat die alte Version "SPF-PIC v2-0 sxdcc". Der Komparator LM339 PIN 2 hat keine Verbindung mit dem PIC.
SPF-PICv1-2008-TOP_resize.jpg
SPF-PICv1-2008-BOTTOM_resize.jpg

Sie sollten mit Herrn Stärz Kontakt nehmen, ob die alte Platine vor 2012 SX2-tauglich ist.
Wenn nicht, dann umtauschen.

Diese Angaben und Hilfestellungen sende ich Ihnen privat und ohne Gewähr.

Gruß
Wilhelm
Antworten