Hallo Herr Martsch,
da ich meine Loks für TC 7.0 Gold einmessen wollte, muß ich diese evtl. mit den richtigen Daten erst noch programmieren bzw. nachträglich ändern.
Da ich schon Ihre PGA Platine Stand 31.10.2010 habe, wollte ich diese hierfür einsetzen.
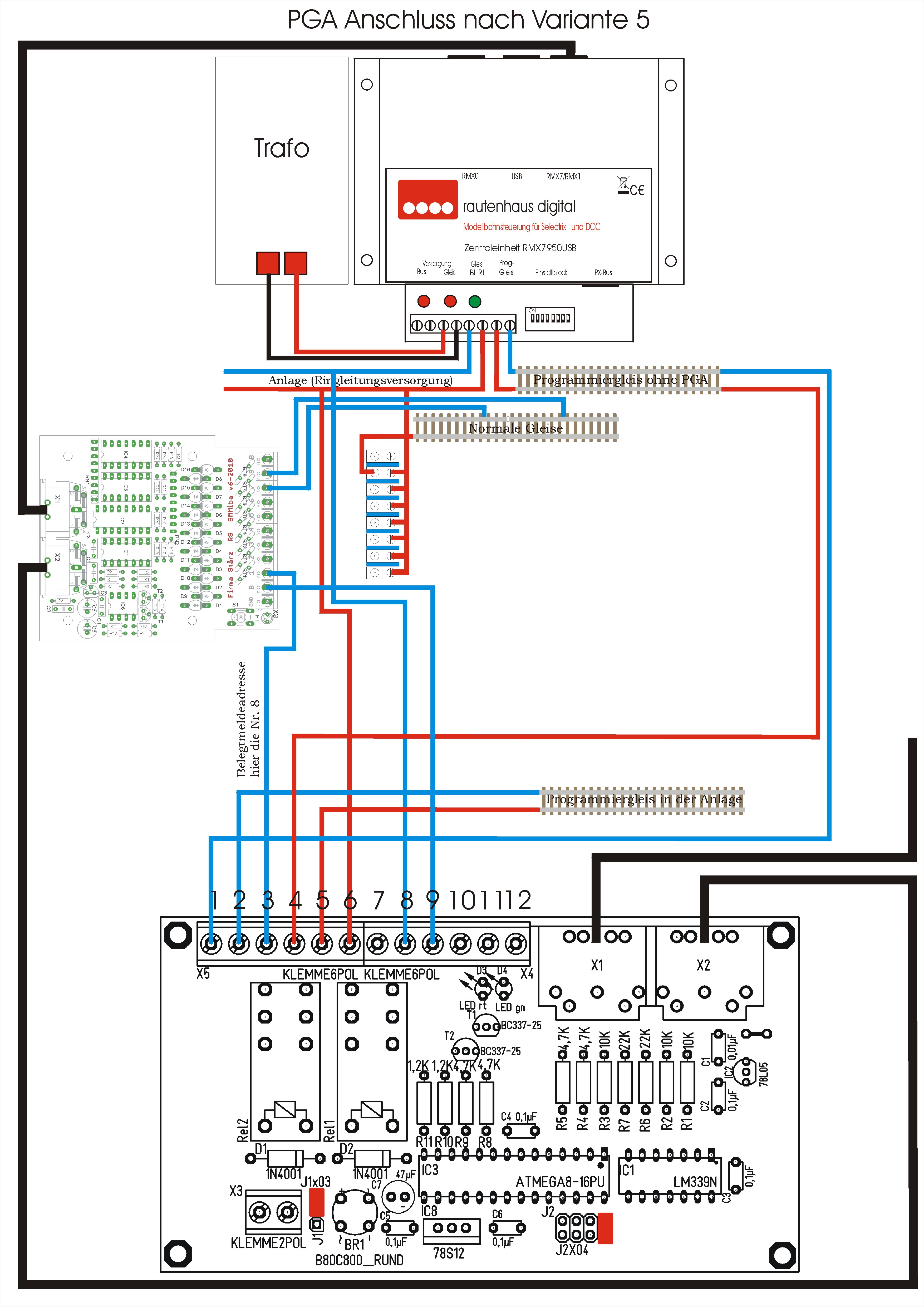
Um nichts kaputt zu machen und weil die Beschreibung der Varianten doch etwas kompliziert ist, habe ich einmal die angehängte Zeichnung erstellt.
Das Programmiergleis direkt unter der Zentrale soll nur den Ausgang symbolisieren. Das zweite Gleis direkt darunter soll die anderen normalen Gleise darstellen, die der GBM überwacht.
Könnten Sie einen kurzen Blick auf die Zeichnung werfen und mir sagen, ob ich alles richtig verstanden habe bzw. mir meine Fehler kurz nennen bzw. in einer geänderten Bilddatei zeigen? (1 Bild sagt schließlich mehr als 1000 Worte)
Wenn meine Zeichnung dann stimmt, kann ich Ihnen diese gerne auch zur Verfügung stellen.
Vielen Dank schon einmal im Voraus.
PGA und Anschluss RMX
-
sx-elektronik
- Beiträge: 16
- Registriert: 3. Januar 2012, 13:56
- Kontaktdaten:
PGA und Anschluss RMX
Dieser Account dient dem öffentlichen Beantworten von SX-Fragen im allgemeinen und/oder Anwenderfragen zu den SX-Projekten, welche von öffentlichen Interesse sind/sein können, jedoch per E-Mail an mich persönlich (Norbert Martsch) herangetragen wurden. Die Fragensteller bleiben hierbei anonym.
http://www.norbert-martsch.de
http://www.norbert-martsch.de
- schnorpser
- Administrator
- Beiträge: 221
- Registriert: 12. Dezember 2011, 11:43
- Wohnort: Ebersbach (b. Großenhain)
- Kontaktdaten:
Re: PGA und Anschluss RMX
Hallo,
ich sitze eben über Ihrer Skizze zum Anschluss der PGA... Da ist irgendwie der Wurm drin
Mit welchem Programm haben Sie den Plan/Skizze erstellt? Können Sie mir diesen bitte in Rohdaten zusenden, sodass ich gleich editieren kann?! Falls nicht möglich, anbei mein Versuch, Ihre Zeichnung zu kommentieren. Dazu habe ich die Ausgänge der RMX-Zentrale, Gleis- und GBM-Anschlüsse mit Nummern versehen (1...10) und diese an die PGA-Anschlüss angetragen. Bei der PGA bitte beachten, dass Anschluss 1 der neben den beiden SX-Buchsen ist, Anschluss 12 der am Platinenrand (vgl. Doku Seite 9).
Viele Grüße
SX1-Norbert
ich sitze eben über Ihrer Skizze zum Anschluss der PGA... Da ist irgendwie der Wurm drin
Mit welchem Programm haben Sie den Plan/Skizze erstellt? Können Sie mir diesen bitte in Rohdaten zusenden, sodass ich gleich editieren kann?! Falls nicht möglich, anbei mein Versuch, Ihre Zeichnung zu kommentieren. Dazu habe ich die Ausgänge der RMX-Zentrale, Gleis- und GBM-Anschlüsse mit Nummern versehen (1...10) und diese an die PGA-Anschlüss angetragen. Bei der PGA bitte beachten, dass Anschluss 1 der neben den beiden SX-Buchsen ist, Anschluss 12 der am Platinenrand (vgl. Doku Seite 9).
Viele Grüße
SX1-Norbert
Admin Forum MEC Arnsdorf
Selbstbauelektronik für SX: http://www.norbert-martsch.de
Hardware: CC2000 (mit/ohne Update-Chip), FCC, RMX, MC2004, versch. Interfaces & Decoder sowie Encoder, Selbstbauelektronik, vorrangig D&H Lokdecoder, Software: TC, RocRail, MoBa in H0 und N
Selbstbauelektronik für SX: http://www.norbert-martsch.de
Hardware: CC2000 (mit/ohne Update-Chip), FCC, RMX, MC2004, versch. Interfaces & Decoder sowie Encoder, Selbstbauelektronik, vorrangig D&H Lokdecoder, Software: TC, RocRail, MoBa in H0 und N
-
sx-elektronik
- Beiträge: 16
- Registriert: 3. Januar 2012, 13:56
- Kontaktdaten:
Re: PGA und Anschluss RMX
Hallo Herr Martsch,
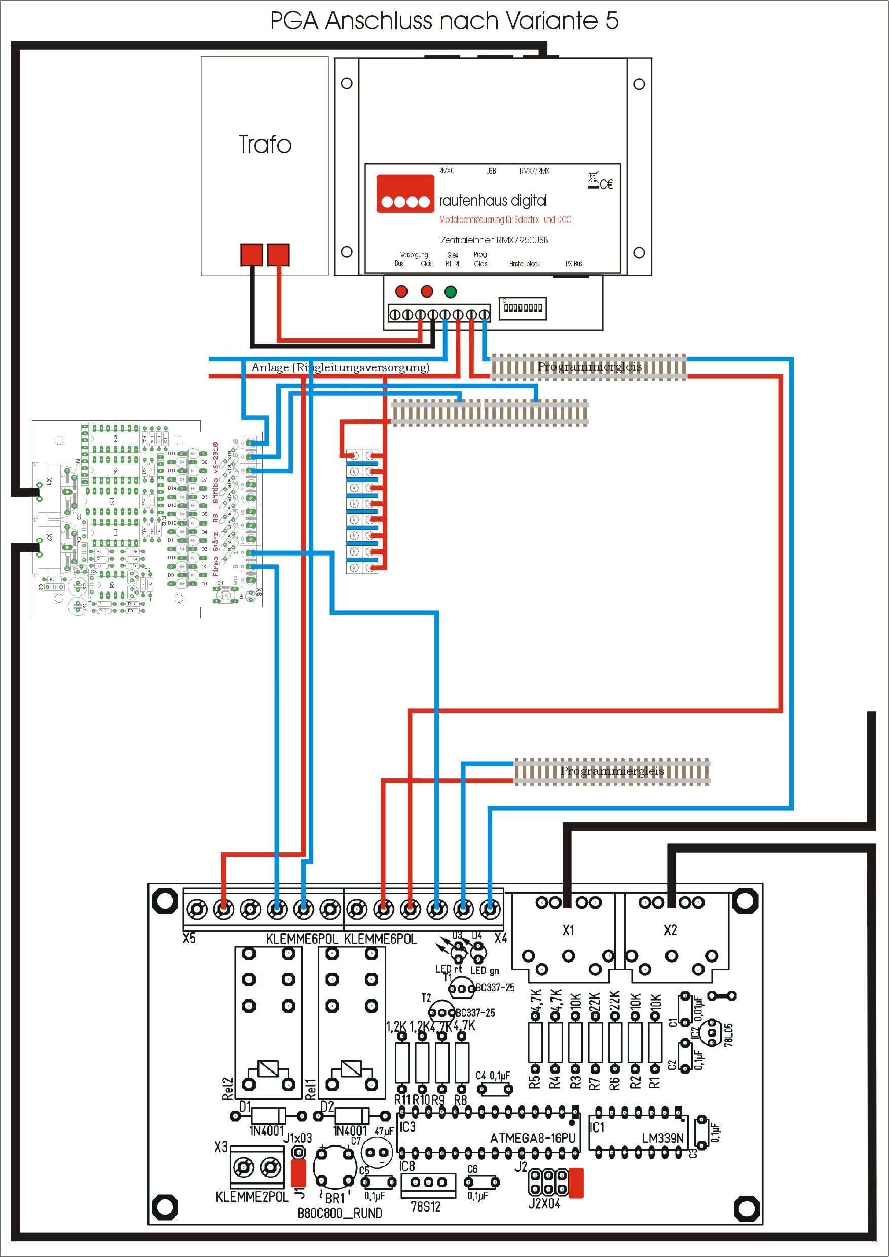
Ich habe nun mal anhand Ihrer Korrekturen meine Skizze angepasst und diese angehängt (Corel Draw 8.0 CDR - Datei und die JPG-Datei.
Ich hoffe, dass ich diese richtig gedeutet habe. Mir ist noch aufgefallen, dass Sie die 3 zwei mal verwendet haben. Daher hoffe ich, dass ich den richtigen Anschluß genommen habe.
Schönen Dank erst einmal.
Ich habe nun mal anhand Ihrer Korrekturen meine Skizze angepasst und diese angehängt (Corel Draw 8.0 CDR - Datei und die JPG-Datei.
Ich hoffe, dass ich diese richtig gedeutet habe. Mir ist noch aufgefallen, dass Sie die 3 zwei mal verwendet haben. Daher hoffe ich, dass ich den richtigen Anschluß genommen habe.
Schönen Dank erst einmal.
Dieser Account dient dem öffentlichen Beantworten von SX-Fragen im allgemeinen und/oder Anwenderfragen zu den SX-Projekten, welche von öffentlichen Interesse sind/sein können, jedoch per E-Mail an mich persönlich (Norbert Martsch) herangetragen wurden. Die Fragensteller bleiben hierbei anonym.
http://www.norbert-martsch.de
http://www.norbert-martsch.de
- schnorpser
- Administrator
- Beiträge: 221
- Registriert: 12. Dezember 2011, 11:43
- Wohnort: Ebersbach (b. Großenhain)
- Kontaktdaten:
Re: PGA und Anschluss RMX
Hallo,
vielen Dank für Ihre Antwort.
Skizze:
Sieht gut aus
Den Anschluss "3" am RMX-Ausgang hatte ich absichtlich 2x eingetragen, es funktioniert aber auch ohne diesen an der PGA. Hintergrund ist, dass mit RMX derzeit keine Loknummernerkennung ("intelligente" Belgetmeldung) möglich ist, und somit der Anschluss an der PGA für diesen Anwendungsfall nicht benötigt wird.
Einen Schönheitsfehler habe ich dennoch entdeckt: Die Nummerierung der PGA-Gleisanschlüsse. Hier haben Sie genau falsch herum durchnummeriert (1...12), richtig ist 12...1, also die 12 links außen am Platinenrand, die 1 direkt neben der SX-Buchse (vgl. Doku Seite 9 http://www.norbert-martsch.de/index.php ... umentation oder Bild im Anhang).
Viele Grüße
SX1-Norbert
vielen Dank für Ihre Antwort.
Skizze:
Sieht gut aus
Einen Schönheitsfehler habe ich dennoch entdeckt: Die Nummerierung der PGA-Gleisanschlüsse. Hier haben Sie genau falsch herum durchnummeriert (1...12), richtig ist 12...1, also die 12 links außen am Platinenrand, die 1 direkt neben der SX-Buchse (vgl. Doku Seite 9 http://www.norbert-martsch.de/index.php ... umentation oder Bild im Anhang).
Viele Grüße
SX1-Norbert
Admin Forum MEC Arnsdorf
Selbstbauelektronik für SX: http://www.norbert-martsch.de
Hardware: CC2000 (mit/ohne Update-Chip), FCC, RMX, MC2004, versch. Interfaces & Decoder sowie Encoder, Selbstbauelektronik, vorrangig D&H Lokdecoder, Software: TC, RocRail, MoBa in H0 und N
Selbstbauelektronik für SX: http://www.norbert-martsch.de
Hardware: CC2000 (mit/ohne Update-Chip), FCC, RMX, MC2004, versch. Interfaces & Decoder sowie Encoder, Selbstbauelektronik, vorrangig D&H Lokdecoder, Software: TC, RocRail, MoBa in H0 und N